dk1
Hỗ trợ kinh doanh
KINH DOANH
 
Thái Phong : 079.268.1111
  
 
 
KỸ THUẬT 
 
Mr. Thành: 08882.66664
  
 
 
Tài Khoản Ngân Hàng

WEBSITE

http://xedienthaiphong.com

http://phutungxedapdien.net

CTK: THÁI ĐÌNH THÀNH

1.STK : 4820216730

Ngân hàng BIDV 

2.STK : 0901000003410

Ngân hàng VIETCOMBANK

Chi nhánh Phủ Lý - Hà Nam

Chăm sóc khách hàng
 

HOTLINE TƯ VẤN

dt Hỗ trợ: 079.268.1111

dt Hỗ trợ: 08882.66664

Thống kê truy cập
Đang truy cập: 79
Trong ngày: 3271
Trong tuần: 21333
Lượt truy cập: 1791811

Mạch chỉnh lưu và ổn áp

Đăng ngày: 02-02-2021

1 - Mạch chỉnh lưu điện xoay chiều

1.1 - Bộ nguồn trong các mạch điện tử .Mạch chỉnh lưu và ổn áp  

Trong các mạch điện tử của các thiết bị như Radio -Cassette, Âmlpy, Ti vi mầu, Đầu VCD v v... chúng sử dụng nguồn một chiều DC ở các mức điện áp khác nhau, nhưng ở ngoài zắc cắm của các thiết bị này lại cắm trực tiếp vào nguồn điện AC 220V 50Hz, như vậy các thiết bị điện tử cần có một bộ phận để chuyển đổi từ nguồn xoay chiều ra điện áp một chiều , cung cấp cho các mạch trên, bộ phận chuyển đổi bao gồm : Biến áp nguồn : Hạ thế từ 220V xuống các điện áp thấp hơn như 6V, 9V, 12V, 24V v v ...

Mạch chỉnh lưu : Đổi điện AC thành DC.

Mạch lọc Lọc gợn xoay chiều sau chỉnh lưu cho nguồn DC phẳng hơn.

Mạch ổn áp : Giữ một điện áp cố định cung cấp cho tải tiêu thụ

 
 
Sơ đồ tổng quát của mạch cấp nguồn.
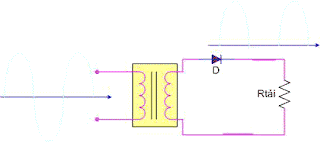
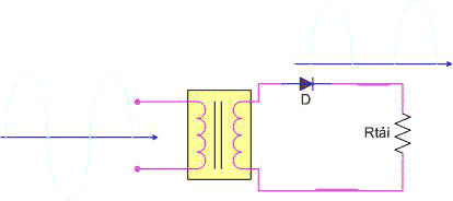
1.2 - Mạch chỉnh lưu bán chu kỳ .
Mạch chỉnh lưu bán chu kỳ sử dụng một Diode mắc nối tiếp với tải tiêu thụ, ở chu kỳ dương => Diode được phân cực thuận do đó có dòng điện đi qua diode và đi qua tải, ở chu kỳ âm , Diode bị phân cực ngược do đó không có dòng qua tải.
 
Dạng điện áp đầu ra của mạch chỉnh lưu bán chu kỳ.
1.3 Mạch chỉnh lưu cả chu kỳ
Mạch chỉnh lưu cả chu kỳ thường dùng 4 Diode mắc theo hình cầu (còn gọi là mạch chỉnh lưu cầu) như hình dưới.
 
 
Mạch chỉnh lưu cả chu kỳ .
Ở chu kỳ dương ( đầu dây phía trên dương, phía dưới âm) dòng điện đi qua diode D1 => qua Rtải => qua diode D4 về đầu dây âm.
Ở chu kỳ âm, điện áp trên cuộn thứ cấp đảo chiều ( đầu dây ở trên âm, ở dưới dương) dòng điện đi qua D2 => qua Rtải => qua D3 về đầu dây âm.
Như vậy cả hai chu kỳ đều có dòng điện chạy qua tải.
2 - Mạch lọc và mạch chỉnh lưu bội áp
2.1 - Mạch lọc dùng tụ điện. Sau khi chỉnh lưu ta thu được điện áp một chiều nhấp nhô, nếu không có tụ lọc thì điện áp nhấp nhô này chưa thể dùng được vào các mạch điện tử , do đó trong các mạch nguồn, ta phải lắp thêm các tụ lọc có trị số từ vài trăm µF đến vài ngàn µF vào sau cầu Diode chỉnh lưu.
 
 
 
Dạng điện áp DC của mạch chỉnh lưu trong hai trường hợp
có tụ và không có tụ
Sơ đồ trên minh hoạ các trường hợp mạch nguồn có tụ lọc và không có tụ lọc.
Khi công tắc K mở, mạch chỉnh lưu không có tụ lọc tham gia , vì vậy điện áp thu được có dạng nhấp nhô.
Khi công tắc K đóng, mạch chỉnh lưu có tụ C1 tham gia lọc nguồn , kết quả là điện áp đầu ra được lọc tương đối phẳng, nếu tụ C1 có điện dung càng lớn thì điện áp ở đầu ra càng bằng phẳng, tụ C1 trong các bộ nguồn thường có trị số khoảng vài ngàn µF .
 
 
Minh hoạ : Điện dụng của tụ lọc càng lớn
thì điện áp đầu ra càng bằng phẳng.
Trong các mạch chỉnh lưu, nếu có tụ lọc mà không có tải hoặc tải tiêu thụ một công xuất không đáng kể so với công xuất của biến áp thì điện áp DC thu được là DC = 1,4.AC
2.2 - Mạch chỉnh lưu nhân 2 .
 
Sơ đồ mạch nguồn chỉnh lưu nhân 2
Để trở thành mạch chỉnh lưu nhân 2 ta phải dùng hai tụ hoá cùng trị số mắc nối tiếp, sau đó đấu 1 đầu của điện áp xoau chiều vào điểm giữa hai tụ => ta sẽ thu được điện áp tăng gấp 2 lần.
Ở mạch trên, khi công tắc K mở, mạch trở về dạng chỉnh lưu thông thường .
Khi công tắc K đóng, mạch trở thành mạch chỉnh lưu nhân 2, và kết quả là ta thu được điện áp ra tăng gấp 2 lần.
3 - Mạch ổn áp cố định
3.1 - Mạch ổn áp cố định dùng Diode Zener.
 
Mạch ổn áp tạo áp 33V cố định cung cấp cho mạch dò kênh trong Ti vi mầu
 
Từ nguồn 110V không cố định thông qua điện trở hạn dòng R1 và gim trên Dz 33V để lấy ra một điện áp cố định cung cấp cho mạch dò kênh.
Khi thiết kế một mạch ổn áp như trên ta cần tính toán điện trở hạn dòng sao cho dòng điện ngược cực đại qua Dz phải nhỏ hơn dòng mà Dz chịu được, dòng cực đại qua Dz là khi dòng qua R2 = 0
Như sơ đồ trên thì dòng cực đại qua Dz bằng sụt áp trên R1 chia cho giá trị R1 , gọi dòng điện này là I1 ta có
I1 = (110 - 33 ) / 7500 = 77 / 7500 ~ 10mA
Thông thường ta nên để dòng ngược qua Dz ≤ 25 mA
3.2 - Mạch ổn áp cố định dùng Transistor, IC ổn áp .
Mạch ổn áp dùng Diode Zener như trên có ưu điểm là đơn giản nhưng nhược điểm là cho dòng điện nhỏ (≤ 20mA). Để có thể tạo ra một điện áp cố định nhưng cho dòng điện mạnh hơn nhiều lần người ta mắc thêm Transistor để khuyếch đại về dòng như sơ đồ dưới đây.
 
Mạch ổn áp có Transistor khuyếch đại
Ở mạch trên điện áp tại điểm A có thể thay đổi và còn gợn xoay chiều nhưng điện áp tại điểm B không thay đổi và tương đối phẳng.
Nguyên lý ổn áp : Thông qua điện trở R1 và Dz gim cố định điện áp chân B của Transistor Q1, giả sử khi điện áp chân
E đèn Q1 giảm => khi đó điện áp U
BE tăng => dòng qua đèn Q1 tăng => làm điện áp chân E của đèn tăng , và ngược lại ...
·  Mạch ổn áp trên đơn giản và hiệu quả nên được sử dụng rất rộng dãi và người ta đã sản xuất các loại IC họ LA78.. để thay thế cho mạch ổn áp trên, IC LA78.. có sơ đồ mạch như phần mạch có mầu xanh của sơ đồ trên.
 
IC ổn áp họ LA78.. IC ổn áp LA7805
LA7805 IC ổn áp 5V
LA7808 IC ổn áp 8V
LA7809 IC ổn áp 9V
LA7812 IC ổn áp 12V
Lưu ý :
Họ IC78.. chỉ cho dòng tiêu thụ khoảng 1A trở xuống, khi ráp IC trong mạch thì U in > Uout từ 3 đến 5V khi đó IC mới phát huy tác dụng.
3.3 - Ứng dụng của IC ổn áp họ 78..
IC ổn áp họ 78.. được dùng rộng rãi trong các bộ nguồn , như Bộ nguồn của đầu VCD, trong Ti vi mầu, trong máy tính...
 
Ứng dụng của IC ổn áp LA7805 và LA7808 trong bộ nguồn đầu VCD
4 - Mạch ổn áp tuyến tính (có hồi tiếp)
4.1 - Sơ đồ khối của mạch ổn áp có hồi tiếp .
 
Sơ đồ khối của mạch ổn áp có hồi tiếp .
* Một số đặc điểm của mạch ổn áp có hồi tiếp :
Cung cấp điện áp một chiều ở đầu ra không đổi trong hai trường hợp điện áp đầu vào thay đổi hoặc dòng tiêu thụ của tải thay đổi, tuy nhiên sự thay đổi này phải có giới hạn.
Cho điện áp một chiều đầu ra có chất lượng cao, giảm thiểu được hiện tượng gợn xoay chiều.
* Nguyên tắc hoạt động của mạch.
Mạch lấy mẫu sẽ theo dõi điện áp đầu ra thông qua một cầu phân áp tạo ra ( Ulm : áp lấy mẫu)
Mạch tạo áp chuẩn => gim lấy một mức điện áp cố định (Uc : áp chuẩn )
Mạch so sánh sẽ so sánh hai điện áp lấy mẫu Ulm và áp chuẩn Uc để tạo thành điện áp điều khiển.
Mạch khuếch đại sửa sai sẽ khuếch đại áp điều khiển, sau đó đưa về điều chỉnh sự hoạt động của đèn công xuất theo hướng ngược lại, nếu điện áp ra tăng => thông qua mạch hồi tiếp điều chỉnh => đèn công xuất dẫn giảm =>điện áp ra giảm xuống.  Ngược lại nếu điện áp ra giảm => thông qua mạch hồi tiếp điều chỉnh => đèn công xuất lại dẫn tăng => và điện áp ra tăng lên =>> kết quả điện áp đầu ra không thay đổi.
4.2 - Phân tích hoạt động của mạch nguồn có hồi tiếp trong Ti vi đen trắng Samsung
Điện áp đầu vào còn gợn xoay chiều Điện áp đầu ra bằng phẳng
 
 
Mạch ổn áp tuyến tính trong Ti vi Samsung đen trắng .
* Ý nghĩa các linh kiện trên sơ đồ.
+ Tụ 2200µF là tụ lọc nguồn chính, lọc điện áp sau chỉnh lưu 18V , đây cũng là điện áp đầu vào của mạch ổn áp, điện áp này có thể tăng giảm khoảng 15%. 
+ Q1 là đèn công xuất nguồn cung cấp dòng điện chính cho tải , điện áp đầu ra của mạc ổn áp lấy từ chân C đèn Q1 và có giá trị 12V cố định . 
+ R1 là trở phân dòng có công xuất lớn ghánh bớt một phần dòng điện đi qua đèn công xuất. 
+ Cầu phân áp R5, VR1 và R6 tạo ra áp lấy mẫu đưa vào chân B đèn Q2 .
+ Diode zener Dz và R4 tạo một điện áp chuẩn cố định so với điện áp ra.
+ Q2 là đèn so sánh và khuyếch đại điện áp sai lệch => đưa về điều khiển sự hoạt động của đèn công xuất + Q1. R3 liên lạc giữa Q1 và Q2, R2 phân áp cho Q1
* Nguyên lý hoạt động .
Giả sử : Khi điện áp vào tăng => điện áp ra tăng => điện áp chân E đèn Q2 tăng nhiều hơn chân B ( do có Dz gim từ chân E đèn Q2 lên Ura, còn Ulm chỉ lấy một phần Ura ) do đó UBE giảm => đèn Q2 dẫn giảm => đèn Q1 dẫn giảm => điện áp ra giảm xuống. Tương tự khi Uvào giảm, thông qua mạch điều chỉnh => ta lại thu được Ura tăng. Thời gian điều chỉnh của vòng hồi tiếp rất nhanh khoảng vài µ giây và được các tụ lọc đầu ra loại bỏ, không làm ảnh hưởng đến chất lượng của điện áp một chiều => kết quả là điện áp đầu ra tương đối phẳng.
      Khi điều chỉnh biến trở VR1 , điện áp lấy mẫu thay đổi, độ dẫn đèn Q2 thay đổi , độ dẫn đèn Q1 thay đổi => kết quả là điện áp ra thay đổi, VR1 dùng để điều chỉnh điẹn áp ra theo ý muốn .
4.3 - Mạch nguồn Ti vi nội địa nhật.
 
Sơ đồ mạch nguồn ổn áp tuyến tính trong Ti vi mầu nội địa Nhật .
C1 là tụ lọc nguồn chính sau cầu Diode chỉnh lưu.
C2 là tụ lọc đầu ra của mạch nguồn tuyến tính.
Cầu phân áp R4, VR1, R5 tạo ra điện áp lấy mẫu ULM
R2 và Dz tạo ra áp chuẩn Uc
·  R3 liên lạc giữa Q3 và Q2, R1 định thiên cho đèn công xuất Q1
·  R6 là điện trở phân dòng, là điện trở công xuất lớn .
·  Q3 là đèn so sánh và khuếch đại áp dò sai
·  Khuếch đại điện áp dò sai
·  Q1 đèn công xuất nguồn
·  => Nguồn làm việc trong dải điện áp vào có thể thay đổi 10%, điện áp ra luôn luôn cố định .
Bài tập : Bạn đọc hãy phân tích nguyên lý hoạt động của mạch nguồn trên 


sub_chuan_1
In bài viết
2 Uy tín chất lượng
Mua hàng online



2 Đổi trả linh hoạt
Nhanh chóng gọn gàng



4 Giao hàng toàn quốc
Nhận hàng trả tiền



5 Hợp tác lâu dài
Cùng nhau phát triển



sanyolg7168
ĐỊA CHỈ CỬA HÀNG
ke_ngang
 
XE ĐIỆN THÁI PHONG
Địa chỉ:  Tổ 8 - Phường Lê Hồng Phong - TP. Phủ Lý - Hà Nam
Hotline: 079.268.1111 & 08882.66664
Email: xedienthaiphong@gmail.com
 
tpchuan
BẢN ĐỒ ĐẾN XE ĐIỆN BÍCH VÂN

Copyright © 2020 XEDIENTHAIPHONG. All Rights Reserved

1
Bạn cần hỗ trợ?