WEBSITE
http://xedienthaiphong.com
http://phutungxedapdien.net
CTK: THÁI ĐÌNH THÀNH
1.STK : 4820216730
Ngân hàng BIDV
2.STK : 0901000003410
Ngân hàng VIETCOMBANK
Chi nhánh Phủ Lý - Hà Nam
|
HOTLINE TƯ VẤN
|
Tụ điện : Tụ điện là linh kiện điện tử thụ động được sử dụng rất rộng rãi trong các mạch điện tử, chúng được sử dụng trong các mạch lọc nguồn, lọc nhiễu, mạch truyền tín hiệu xoay chiều, mạch tạo dao động .vv...
Cấu tạo của tụ điện .
Cấu tạo của tụ điện gồm hai bản cực đặt song song, ở giữa có một lớp cách điện gọi là điện môi.
Người ta thường dùng giấy, gốm , mica, giấy tẩm hoá chất làm chất điện môi và tụ điện cũng được phân loại theo tên gọi của các chất điện môi này như Tụ giấy, Tụ gốm, Tụ hoá.
Cấu tạo tụ gốm Cấu tạo tụ hoá
2. Hình dáng thực tế của tụ điện.
Hình dạng của tụ gốm.
Hình dạng của tụ hoá
3. Điện dung , đơn vị và ký hiệu của tụ điện. * Điện dung : Là đại lượng nói lên khả năng tích điện trên hai bản cực của tụ điện, điện dung của tụ điện phụ thuộc vào diện tích bản cực, vật liệu làm chất điện môi và khoảng cách giữ hai bản cực theo công thức
C = ξ . S / d
Trong đó C : là điện dung tụ điện , đơn vị là Fara (F)
ξ : Là hằng số điện môi của lớp cách điện.
d : là chiều dày của lớp cách điện.
S : là diện tích bản cực của tụ điện.
* Đơn vị điện dung của tụ : Đơn vị là Fara (F) , 1Fara là rất lớn do đó trong thực tế thường dùng các đơn vị nhỏ hơn như MicroFara (µF) , NanoFara (nF), PicoFara (pF).
1 Fara = 1.000.000 µ Fara = 1.000.000.000 n F = 1.000.000.000.000 p F
1 µ Fara = 1.000 n Fara
1 n Fara = 1.000 p Fara
* Ký hiệu : Tụ điện có ký hiệu là C (Capacitor)
Ký hiệu của tụ điện trên sơ đồ nguyên lý.
4 . Sự phóng nạp của tụ điện .
Một tính chất quan trọng của tụ điện là tính chất phóng nạp của tụ , nhờ tính chất này mà tụ có khả năng dẫn điện xoay chiều.
Minh hoạ về tính chất phóng nạp của tụ điện.
* Tụ nạp điện : Như hình ảnh trên ta thấy rằng , khi công tắc K1 đóng, dòng điện từ nguồn U đi qua bóng đèn để nạp vào tụ, dòng nạp này làm bóng đèn loé sáng, khi tụ nạp đầy thì dòng nạp giảm bằng 0 vì vậy bóng đèn tắt.
* Tụ phóng điện : Khi tụ đã nạp đầy, nếu công tắc K1 mở, công tắc K2 đóng thì dòng điện từ cực dương (+) của tụ phóng qua bóng đền về cực âm (-) làm bóng đèn loé sáng, khi tụ phóng hết điện thì bóng đèn tắt.
=> Nếu điện dung tụ càng lớn thì bóng đèn loé sáng càng lâu hay thời gian phóng nạp càng lâu.
5 . Cách đọc giá trị điện dung trên tụ điện.
* Với tụ hoá : Giá trị điện dung của tụ hoá được ghi trực tiếp trên thân tụ
=> Tụ hoá là tụ có phân cực (-) , (+) và luôn luôn có hình trụ .
Tụ hoá ghi điện dung là 185 µF / 320 V
* Với tụ giấy , tụ gốm : Tụ giấy và tụ gốm có trị số ghi bằng ký hiệu
Tụ gốm ghi trị số bằng ký hiệu.
Cách đọc : Lấy hai chữ số đầu nhân với 10(Mũ số thứ 3 )
Ví dụ tụ gốm bên phải hình ảnh trên ghi 474K nghĩa là
Giá trị = 47 x 10 4 = 470000 p ( Lấy đơn vị là picô Fara)
= 470 n Fara = 0,47 µF
Chữ K hoặc J ở cuối là chỉ sai số 5% hay 10% của tụ điện .
* Thực hành đọc trị số của tụ điện.
Cách đọc trị số tụ giất và tụ gốm .
Chú ý : chữ K là sai số của tụ . 50V là điện áp cực đại mà tụ chịu được.
* Tụ giấy và tụ gốm còn có một cách ghi trị số khác là ghi theo số thập phân và lấy đơn vị là MicroFara
Một cách ghi trị số khác của tụ giấy và tụ gốm.
6. Ý nghĩ của giá trị điện áp ghi trên thân tụ :
Ta thấy rằng bất kể tụ điện nào cũng được ghi trị số điện áp ngay sau giá trị điện dung, đây chính là giá trị điện áp cực đại mà tụ chịu được, quá điện áp này tụ sẽ bị nổ.
Khi lắp tụ vào trong một mạch điện có điện áp là U thì bao giờ người ta cũng lắp tụ điện có giá trị điện áp Max cao gấp khoảng 1,4 lần.
í dụ mạch 12V phải lắp tụ 16V, mạch 24V phải lắp tụ 35V. vv..
7 - Phân loại tụ điện
7.1) Tụ giấy, Tụ gốm, Tụ mica. (Tụ không phân cực )
Các loại tụ này không phân biệt âm dương và thường có điện dung nhỏ từ 0,47 µF trở xuống, các tụ này thường được sử dụng trong các mạch điện có tần số cao hoặc mạch lọc nhiễu.
Tụ gốm - là tụ không phân cực.
7.2) Tụ hoá ( Tụ có phân cực )
Tụ hoá là tụ có phân cực âm dương , tụ hoá có trị số lớn hơn và giá trị từ 0,47µF đến khoảng 4.700 µF , tụ hoá thường được sử dụng trong các mạch có tần số thấp hoặc dùng để lọc nguồn, tụ hoá luôn luôn có hình trụ..
Tụ hoá - Là tụ có phân cực âm dương.
7.3) Tụ xoay .
Tụ xoay là tụ có thể xoay để thay đổi giá trị điện dung, tụ này thường được lắp trong Radio để thay đổi tần số cộng hưởng khi ta dò đài.
Tụ xoay sử dụng trong Radio
8 - Phương pháp kiểm tra tụ điện
8.1) Đo kiểm tra tụ giấy và tụ gốm.
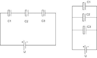
Tụ giấy và tụ gốm thường hỏng ở dạng bị dò rỉ hoặc bị chập, để phát hiện tụ dò rỉ hoặc bị chập ta quan sát hình ảnh sau đây .
Đo kiểm tra tụ giấy hoặc tụ gốm .
Ở hình ảnh trên là phép đo kiểm tra tụ gốm, có ba tụ C1 , C2 và C3 có điện dung bằng nhau, trong đó C1 là tụ tốt, C2 là tụ bị dò và C3 là tụ bị chập.
Khi đo tụ C1 ( Tụ tốt ) kim phóng lên 1 chút rồi trở về vị trí cũ. ( Lưu ý các tụ nhỏ quá < 1nF thì kim sẽ không phóng nạp )
Khi đo tụ C2 ( Tụ bị dò ) ta thấy kim lên lưng chừng thang đo và dừng lại không trở về vị trí cũ.
Khi đo tụ C3 ( Tụ bị chập ) ta thấy kim lên = 0 Ω và không trở về.
Lưu ý: Khi đo kiểm tra tụ giấy hoặc tụ gốm ta phải để đồng hồ ở thang x1KΩ hoặc x10KΩ, và phải đảo chiều kim đồng hồ vài lần khi đo.
8.2) Đo kiểm tra tụ hoá
Tụ hoá ít khi bị dò hay bị chập như tụ giấy, nhưng chúng lại hay hỏng ở dạng bị khô ( khô hoá chất bên trong lớp điện môi ) làm điện dung của tụ bị giảm , để kiểm tra tụ hoá , ta thường so sánh độ phóng nạp của tụ với một tụ còn tốt có cùng điện dung, hình ảnh dưới đây minh hoạ các bước kiểm tra tụ hoá.
Đo kiểm tra tụ hoá
Để kiểm tra tụ hoá C2 có trị số 100µF có bị giảm điện dung hay không, ta dùng tụ C1 còn mới có cùng điện dung và đo so sánh.
Để đồng hồ ở thang từ x1Ω đến x100Ω ( điện dung càng lớn thì để thang càng thấp )
Đo vào hai tụ và so sánh độ phóng nạp , khi đo ta đảo chiều que đo vài lần.
Nếu hai tụ phóng nạp bằng nhau là tụ cần kiểm tra còn tốt, ở trên ta thấy tụ C2 phóng nạp kém hơn do đó tụ C2 ở trên đã bị khô.
Trường hợp kim lên mà không trở về là tụ bị dò.
Chú ý : Nếu kiểm tra tụ điện trực tiếp ở trên mạch , ta cần phải hút rỗng một chân tụ khỏi mạch in, sau đó kiểm tra như trên.
9 - Các kiểu mắc và ứng dụng
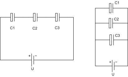
9.1 . Tụ điện mắc nối tiếp . Các tụ điện mắc nối tiếp có điện dung tương đương C tđ được tính bởi công thức :
1 / C tđ = (1 / C1 ) + ( 1 / C2 ) + ( 1 / C3 )
Trường hợp chỉ có 2 tụ mắc nối tiếp thì
C tđ = C1.C2 / ( C1 + C2 )
Khi mắc nối tiếp thì điện áp chịu đựng của tụ tương đương bằng tổng điện áp của các tụ cộng lại.
U tđ = U1 + U2 + U3
Khi mắc nối tiếp các tụ điện, nếu là các tụ hoá ta cần chú ý chiều của tụ điện, cực âm tụ trước phải nối với cực dương tụ sau:
Tụ điện mắc nối tiếp Tụ điện mắc song song
9.2 - Tụ điện mắc song song.
Các tụ điện mắc song song thì có điện dung tương đương bằng tổng điện dung của các tụ cộng lại .
C = C1 + C2 + C3
Điện áp chịu đựng của tụ điện tương tương bằng điện áp của tụ có điện áp thấp nhất.
Nếu là tụ hoá thì các tụ phải được đấu cùng chiều âm dương.
9.3 - Ứng dụng của tụ điện .
Tụ điện được sử dụng rất nhiều trong kỹ thuật điện và điện tử, trong các thiết bị điện tử, tụ điện là một linh kiện không thể thiếu đươc, mỗi mạch điện tụ đều có một công dụng nhất định như truyền dẫn tín hiệu , lọc nhiễu, lọc điện nguồn, tạo dao động ..vv...
Dưới đây là một số những hình ảnh minh hoạ về ứng dụng của tụ điện.
* Tụ điện trong mạch lọc nguồn.
Tụ hoá trong mạch lọc nguồn.
Trong mạch lọc nguồn như hình trên , tụ hoá có tác dụng lọc cho điện áp một chiều sau khi đã chỉnh lưu được bằng phẳng để cung cấp cho tải tiêu thụ, ta thấy nếu không có tụ thì áp DC sau đi ốt là điên áp nhấp nhô, khi có tụ điện áp này được lọc tương đối phẳng, tụ điện càng lớn thì điện áp DC này càng phẳng.
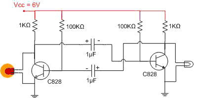
* Tụ điện trong mạch dao động đa hài tạo xung vuông.
Mạch dao động đa hài sử dụng 2 Transistor
Bạn có thể lắp mạch trên với các thông số đã cho trên sơ đồ.
Hai đèn báo sáng sử dụng đèn Led dấu song song với cực CE của hai Transistor, chú ý đấu đúng chiều âm dương.
![]() |
Uy tín chất lượng Mua hàng online |
![]() |
Đổi trả linh hoạt Nhanh chóng gọn gàng |
![]() |
Giao hàng toàn quốc Nhận hàng trả tiền |
![]() |
Hợp tác lâu dài Cùng nhau phát triển |

|
HOTLINE TƯ VẤN
|
|
Copyright © 2020 XEDIENTHAIPHONG. All Rights Reserved





